直供Y型手摇刷式过滤器 全自动手摇刷式过滤器
Y型手摇刷式过滤器,全自动手摇刷式过滤器,手摇刷式过滤器,手摇刷式过滤器直供,手摇刷式过滤器规格
一、Y型手摇刷式过滤器概述:
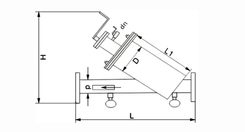
Y型手摇刷式过滤器主要由壳体、滤筒滤网、法兰盖、带手柄的清洗刷及刷架组、排污阀和压力表等组成。其滤筒内置有一定规格滤网并还安装了可转动的清洗刷架组,清洗刷架组穿过法兰盖,位于盖内侧的部分设有清洗刷,位于盖外侧的一端有手摇柄体,当需要清除滤芯污垢时,无需停机,更不用拆卸过滤器的任何部件,只需转动手摇柄体数圈,对附有杂物的滤网内壁刷洗,同时,打开法兰盖上装设的排污阀,将杂物排出即可。Y型手摇刷式过滤器操作简单、使用方便,能随时以在线方式将过滤网上的杂质清除。
Y型手摇刷式过滤器在进液管口和出液管口处分别装有压力表,以便于用户通过进出口压差来判断是否对滤芯进行清洗(当压力差达到0.2MPa左右,或者比新安装时大3-4倍时,表明滤网内壁已挂满污物或杂质,建议此时应对滤芯进行清洗,当压差值小于0.1MPa时,即可停止剧洗) ,其利用滤筒内置的刷子和刷架,不断刷除滤网上的污物、杂质等颗粒,在系统中流体的冲洗下,再通过排污阀排出。Y型手摇刷式过滤器特别适合24小时连续运行的不停机系统,可以滤去水中各种机械杂质,而且可以确保系统设备的安全可靠运行。
二、Y型手摇刷式过滤器结构图:
三、Y型手摇刷式过滤器技术参数:
工作压力:≤1.0Mpa(如需更高的工作压力,订货时请注明);
压力损力:≤0.015Mpa;
过滤精度: 0.8 mm(0.2~3.5mm精度范围均可制造);
*高工作温度:≤100°C。
四、Y型手摇刷式过滤器选型原则:
1.进出口通径:
原则上过滤器的进出口通径不应小于相配套的泵的进口通径,一般与进口管路口径一致;
2.公称压力:
按照过滤管路可能出现的最高压力确定过滤器的压力等级;
3.孔目数的选择:
主要考虑需拦截的杂质粒径,依据介质流程工艺要求而定。各种规格丝网可拦截的粒径尺寸查“滤网规格”;
4.过滤器材质:
过滤器的材质一般选择与所连接的工艺管道材质相同,对于不同的服役条件可考虑选择铸铁、碳钢、低合金钢或不锈钢材质的过滤器。
宇成Y型手摇刷式过滤器也有全自动型手摇刷式过滤器,除此之外我们的过滤器还有全自动反冲洗过滤器,角通式反冲洗过滤器,篮式过滤器,全自动自清洗过滤器,自洁式排气过滤器,石英砂过滤器,Y型过滤器,T型过滤器等,如有需要,请来电详询。
联系人:张经理 手机:15615688851(微信同号)
QQ:2656653994 座机:0538-6626868
地址:泰安市岱岳区青春创业开发区
